高效的特性和机械承载的安全性。
【 承载能力 】:50~500吨

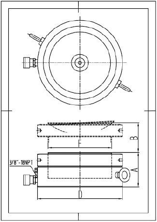
| 产品型号 | 承载能力 | 有效行程 | 有效面积 | 液压油量 | 本体高度 | 伸展高度 | 油缸外径 | 鞍座直径 | 千斤顶重量 |
| (T) | (mm) | (cm2) | (cm3) | (mm) | (mm) | (mm) | (mm) | (kg) | |
| SOV-CLP-6050 | 60 | 50 | 86.2 | 388 | 125 | 175 | 140 | 96 | 14.4 |
| SOV-CLP-10050 | 100 | 50 | 146 | 657 | 137 | 187 | 175 | 126 | 24.7 |
| SOV-CLP-16045 | 160 | 45 | 231 | 1038 | 148 | 193 | 220 | 160 | 41.3 |
| SOV-CLP-20045 | 200 | 45 | 284.8 | 1285 | 155 | 200 | 245 | 180 | 54.3 |
| SOV-CLP-26045 | 260 | 45 | 366.8 | 1650 | 160 | 204 | 275 | 200 | 69.7 |
| SOV-CLP-40045 | 400 | 45 | 558.5 | 2514 | 178 | 223 | 350 | 250 | 126.5 |
| SOV-CLP-52045 | 520 | 45 | 729 | 3281 | 192 | 237 | 400 | 290 | 180.9 |
*如因产品更新迭代,表中参数有所变动,恕不另行通知。