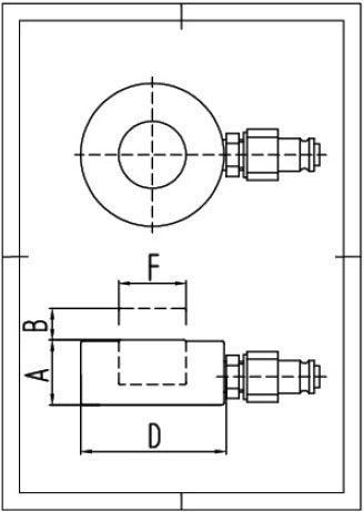
极低的本体高度,顶部有限位溢流口,超限自动溢流。
【 承载能力 】:5~200吨

| 产品型号 | 承载能力 | 工作压力 | 本体高度A | 有效行程 | 有效面积 | 液压油量 | 油缸外径D | 柱塞直径F | 接头高度 | 接头尺寸 | 重量 |
| (T) | (MPa) | (mm) | (mm) | (cm2) | (cm3) | (mm) | (mm) | (mm) | (kg) | ||
SOV-STC-0510 |
5 | 150 | 30 | 10 | 3.46 | 3.5 | 60 | 21 | 14 | G1/4" | 0.17 |
SOV-STC-01010 |
10 | 150 | 30 | 10 | 7.06 | 7.1 | 70 | 30 | 14 | G1/4" | 1.1 |
SOV-STC-02510 |
25 | 150 | 30 | 10 | 17.34 | 17.3 | 90 | 47 | 14 | G1/4" | 1.5 |
SOV-STC-05010 |
50 | 150 | 30 | 10 | 38.46 | 38.5 | 118 | 70 | 14 | G1/4" | 2.6 |
SOV-STC-10010 |
100 | 150 | 33 | 10 | 69.36 | 69.4 | 152 | 94 | 14 | G1/4" | 4.3 |
SOV-STC-15010 |
150 | 150 | 34 | 10 | 105.62 | 105.6 | 180 | 116 | 14 | G1/4" | 6.8 |
SOV-STC-20010 |
200 | 150 | 35 | 10 | 136.77 | 136.8 | 204 | 132 | 14 | G1/4" | 9 |
*如因产品更新迭代,表中参数有所变动,恕不另行通知。