扁平液压螺栓拉伸器,螺栓拉伸器,PA集团液压科技(上海)有限公司
首页
产品中心
液压千斤顶
液压扭矩扳手
螺栓拉伸器
液压螺栓工具
液压拉马
液压法兰工具
液压泵站
液压设备
管道设备
液压附件
液压系统
工程案例
重物顶升
重物平移
桥梁同步顶升
拉伸、收紧
螺栓紧固拆卸
齿轮法兰拆卸
压制、弯制
技术资料
选型指南
液压知识
维修方法
产品视频
下载中心
公司动态
关于PA集团
PA集团
021-68561366
中文
/
EN
搜索
产品中心
工程案例
技术资料
公司动态
关于PA集团
PA集团
返回
液压千斤顶
液压扭矩扳手
螺栓拉伸器
液压螺栓工具
液压拉马
液压法兰工具
液压泵站
液压设备
管道设备
液压附件
液压系统
重物顶升
重物平移
桥梁同步顶升
拉伸、收紧
螺栓紧固拆卸
齿轮法兰拆卸
压制、弯制
选型指南
液压知识
维修方法
产品视频
下载中心
返回
薄型液压千斤顶
超薄型液压千斤顶
超低薄型液压千斤顶
超低薄液压千斤顶
超超薄型液压千斤顶
超低薄型液压千斤顶(超高压)
超薄型机械千斤顶
双作用大吨位液压千斤顶
单作用大吨位液压千斤顶
单作用中空柱塞液压千斤顶
双作用中空柱塞液压千斤顶
薄型自锁液压千斤顶
单作用大吨位自锁液压千斤顶
大吨位螺母自锁液压千斤顶
外环螺母自锁液压千斤顶
铝钛合金驱动式液压扭矩扳手
铝钛合金中空扭矩扳手
扭矩扳手专用套筒
中空板手专用变径套
配件
智能数显扭矩套筒
同轴方驱扭矩扳手
高转速液压扭矩扳手
超薄开口扭矩扳手
自复位液压螺栓拉伸器
超高压可换头液压螺栓拉伸器
可换头液压螺栓拉伸器
多级液压螺栓拉伸器
扁平液压螺栓拉伸器
海底螺栓拉伸器
弯柄式扭矩倍增器
直柄式扭矩倍增器
M5M25扭矩倍增器
扭矩倍增器
扭矩倍增器
数控电动扭矩扳手-单速
数控电动扭矩扳手-双速
数控无刷充电扭矩扳手
无刷大屏充电扭矩扳手
无刷数控电动扭矩扳手
小扭矩充电无刷扭矩扳手
智能大屏充电扭矩扳手系列
智能手持伺服扭矩拧紧机
气动扭矩扳手
气动扭矩扳手
分体式液压拔轮器
液压防滑拉马
机械防滑拉马
一体式液压拔轮器
拔轮器标准套件
全自动车载式液压拔轮器
升降式电动液压拔轮器
车载式液压凸轮拆卸器
移动式液压拔轮器
耦合器拆卸专用液压拉马
一体压盘式拉马
液压式法兰同步分离器
机械式法兰同步分离器
微间隙法兰分离器
液压式零间隙法兰分离器
机械式零间隙法兰分离器
液压式垂直顶升机
液压式法兰错位校正工具
机械式法兰错位校正工具
整体式液压法兰校正工具
一体式液压顶升器
液压法兰闭合器
零间隙同轴液压式法兰分离器
分体式液压法兰撑开器
分体式法兰分劈开器
电动液压泵站
超高压电动液压泵站
工程千斤顶专用电动液压泵站
液压扳手专用液压泵站
防爆电动液压泵
轻型手动液压泵
钢制手动液压泵
超高压手动液压泵
脚踏式气动液压泵站
超高压气动液压泵站
移动式超高压电动泵站
液压扳手专用防爆电动液压泵站
液压扳手智能电动泵站
轻型脚踏式液压泵
汽油机液压泵站
钢丝绳压套机
液压三维调整设备
船用运输小车
H型液压压床
VLP型液压压床
滚架式液压压床
分体式电动液压弯管机
分体式手动液压弯管机
轻型铝制液压弯管机
移动式多功能液压弯管机
多模弯管机
移动式架车机
机车架车机
台式数控轴承加热器
平板数控轴承加热器
便携式多功能阀门研磨机
便携式阀门研磨机
便携式闸阀研磨机
阀芯研磨机
台式阀门研磨机
便携式管道开孔机
便携式镗孔机
多功能便携式镗孔机
便携式管道切割机
内涨式电/气动管道坡口机
台式数控切割坡口机
外卡式电动管道切割坡口机
外卡式气动管道切割坡口机
外卡式数控管道切割坡口机
爬管式管道切割坡口机
超高压快速接头
高压油管
超高压压力表
液压控制阀
超高压液压分配阀
液压分配阀
压力表表座
超高压液压油管
超高压快速液压接头
钢绞线同步提升液压系统
四点变频同步顶升系统
八点同步顶升系统
步履式智能顶推液压系统
夹轨式同步顶推液压系统
智能定量同步顶升液压系统
轻型滑移液压系统
重型滑移液压系
液压转盘
高精度智能称重液压系
轴力支撑智能控制液压系统
自升式同步升降液压系统
重型自升式同步升降液压系统
变压器智能移运液压系统
风机叶轮智能夹紧装置
扁平液压螺栓拉伸器
型号:
SOV-BSM
【 螺栓直径 】
:M36~M42
【 最大载荷 】
:900kN
【 最大行程 】
:10mm
【 适用场合 】
:适用于钢厂、电厂、水泥厂等机械的螺母预紧、拆卸。
立即咨询
产品特点
与常规圆形油缸相比,椭圆形可增大液压面积。
增加紧固强度。
侧面为切割型,减轻重量。
椭圆形油缸(可定制)。
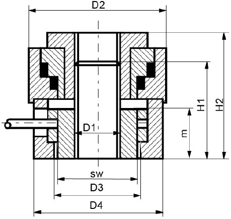
产品参数
规格型号
螺栓直径
最大载荷 (kN)
行程 (mm)
高度 (mm)
外径 (mm)
英制
公制
SOV-BSM-36
1-3/8"
M36
749
8
241.5
59
SOV-BSM-42
1-5/8"
M42
900
10
268.2
72
*如因产品更新迭代,表中参数有所变动,恕不另行通知。
为您推荐
更多产品
可换头液压螺栓拉伸器
SOV-HTS
多级液压螺栓拉伸器
SOV-HTE
超高压可换头液压螺栓拉伸器
SOV-GT
返回顶部
产品中心
液压千斤顶
液压扭矩扳手
螺栓拉伸器
液压螺栓工具
液压拉马
液压法兰工具
液压泵站
液压设备
管道设备
液压附件
液压系统
工程案例
重物顶升
重物平移
桥梁同步顶升
拉伸、收紧
螺栓紧固拆卸
齿轮法兰拆卸
压制、弯制
技术资料
选型指南
液压知识
维修方法
产品视频
下载中心
关于PA集团
关于PA集团
PA集团
021-68561366
免费咨询热线
版权所有
PA集团
Copyright © 2021 PA集团液压科技(上海)有限公司
沪ICP备58110966号-1
版权所有
PA集团
PA集团
网站地图