大吨位螺母自锁液压千斤顶,液压千斤顶,PA集团液压科技(上海)有限公司
返回
返回
大吨位螺母自锁液压千斤顶
型号:SOV-SDL
【 承载能力 】:100-1000T
【 有效行程 】:50-100mm
【 本体高度 】:188-355mm
【 适用场合 】:可用于长期机械锁定场合。
立即咨询
大吨位螺母自锁液压千斤顶
大吨位螺母自锁液压千斤顶
产品特点
大吨位螺母自锁液压千斤顶,可承受高达 1000 吨的机械载荷。
双作用,用于正向缩回。
整体式止动环提供活塞超行程保护。
烤漆外涂层和镀铬活塞可提供出色的腐蚀防护。
所有型号配有3/8-18NPT超高压快速接头与高强度铝钛合金螺纹保护套。
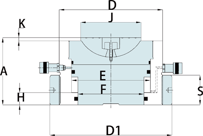
产品参数
规格型号 承载 能力 (T) 工作 行程 (mm) 有效 面积 (cm²) 本体 高度 A 液压 油量 (cm³) 延展高度 B (mm) 千斤顶 直径(mm) 自锁螺 母直径 D1 孔径 E (mm) 柱塞规格 F (mm) 制动环 高度 H 鞍座 直径 J 鞍座和制动环公差 K 自锁螺 母厚度 S 重量   (kg)
SOV-SDL-1002 100 50 143.14 188 716 238 180 225 135 120 35 115 10 90 46
SOV-SDL-1004 100 100 143.14 238 1431 338 180 225 135 120 35 115 10 140 60
SOV-SDL-1502 150 50 213.82 190 1069 240 220 260 165 140 35 135 10 90 63
SOV-SDL-1504 150 100 213.82 240 2138 340 220 260 165 140 35 135 10 140 81
SOV-SDL-2002 200 50 283.53 197 1418 247 250 295 190 160 35 155 12 90 83
SOV-SDL-2004 200 100 283.53 247 2835 347 250 295 190 160 35 155 12 140 107
SOV-SDL-2502 250 50 363.05 200 1815 250 280 330 215 180 35 175 12 95 106
SOV-SDL-2504 250 100 363.05 250 3631 350 280 330 215 180 35 175 12 145 136
SOV-SDL-3002 300 50 433.77 212 2169 262 305 360 235 200 40 195 12 100 135
SOV-SDL-3004 300 100 433.77 262 4337 362 305 360 235 200 40 195 12 150 170
SOV-SDL-4002 400 50 572.56 238 2863 283 350 420 270 225 45 215 15 100 199
SOV-SDL-4004 400 100 572.56 283 5726 383 350 420 270 225 45 215 15 150 243
SOV-SDL-5002 500 50 730.62 238 3653 288 390 460 305 250 45 240 15 112 245
SOV-SDL-5004 500 100 730.62 288 7306 388 390 460 305 250 45 240 15 160 300
SOV-SDL-6002 600 50 866 245 4328 295 420 500 332 270 45 260 15 115 296
SOV-SDL-6004 600 100 866 295 8657 395 420 500 332 270 55 260 15 165 362
SOV-SDL-8002 800 50 1146.16 280 5821 330 490 580 385 320 55 310 20 125 455
SOV-SDL-8004 800 100 1146.16 330 11462 430 490 580 385 320 55 310 20 175 545
SOV-SDL-10002 1000 50 1452.2 305 7261 355 540 650 430 350 55 340 30 130 600
SOV-SDL-10004 1000 100 1452.2 355 14522 455 540 650 430 350 55 340 30 180 712

*如因产品更新迭代,表中参数有所变动,恕不另行通知。

视频
PA集团
网站地图