扭矩倍增器,液压螺栓工具,PA集团液压科技(上海)有限公司
返回
返回
扭矩倍增器
型号:SOV-LMH
【 驱动方榫 】:1/2"~3/4"
【 输出方榫 】:3/4"~1 "
【 范围 】:1000~8000Nm
【 适用场合 】:用于螺栓快速安装与拆卸。
立即咨询
扭矩倍增器
产品特点
结构紧凑,重量轻,便于携带使用。
3000N.m以上的反回弹安全保护装置,使用更安全。
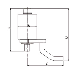
产品参数
规格型号 驱动 方榫 输出 方榫 规格 (N.m) 倍率比 A (mm) B (mm) C (mm) D (mm) 重量 (kg)
SOV-LMH-1000 1/2" 3/4" 1000 1:4 71 121 110 165 1.6
SOV-LMH-1500 3/4" 1 " 1500 1:4 88 146 165 192 3
SOV-LMH-2000 3/4" 1 " 2000 1:4 88 150 165 199 3.2
SOV-LMH-3000 3/4" 1 " 3000 1:5.5 108 155 140 200 3.8
SOV-LMH-6000 1/2" 1 1/2" 6000 1:18 126 258 240 318 10.7
SOV-LMH-8000 1/2" 1 1/2" 8000 1:23 160 276 255 340 17.2

*如因产品更新迭代,表中参数有所变动,恕不另行通知。

为您推荐更多产品
返回顶部
Copyright © 2021 PA集团液压科技(上海)有限公司 沪ICP备58110966号-1
PA集团
网站地图